
uno sinistro, uno destro + stainless steel basins support + towel rails


uno sinistro + wood beech support + towel rail
|
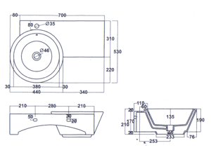
althea ceramica hera uno

uno destro + stainless steel basins support + towel rail
Althea Ceramica Hera Uno Bathroom Sinks, in sinistra and destra versions, available with an optional steel towel rail. Uno also comes with an optional countertop support, in wood beech, or stainless steel.
email: info2@giant.co.uk for pricing and delivery information
BATHROOM
KITCHEN
| |HOME||sitemap|terms + conditions|bathroom design ideas|message service - tel: +44 7818 096 595 | email: info2@giant.co.uk
|
COMPLEMENTARY PRODUCTS

hera sospeso |

hera terra |

hera closed |

isystick-isyline |
|